常州遙力電子儀器銷售中心,稱重傳感器,稱重儀表,地磅接線盒,叉車秤,稱重模塊等機電產品, 公司電話:0519-88055537;免費電話:400 0519 602,聯系人:李先生/13270386751,;QQ:1779208340
凡在本公司購買的產品,因不合適,不配套,不好用,都可以退全款,立刻馬上退。
產品描述:
品牌: 托利多
寶貝詳情:
托利多HLJ系列傳感器,是梅特勒-托利多專門為三一重工及中聯中科專門訂制的用于攪拌站計量設備上的一種稱重設備,主要用于料倉與儀表之間的連接從而組成稱重系統。
合金鋼材料,內部灌膠密封,防油、防水、耐腐蝕,可適用于各種環境。
◆單剪切梁結構設計,安裝使用方便靈活。
◆適用于電子平臺秤、料斗秤等各類電子稱重設備。
◆安全防爆型產品,可用于惡劣環境及危險性場合。
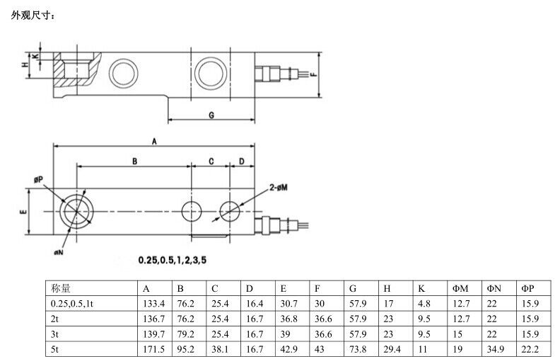
◆量程:;0. 25T 0.5T,1T ,2T,3T~5T
◆高精度
◆合金鋼材料
◆輸出靈敏度 (mv/v) 2.0 ±0.002 3.0±0.003
托利多HLJ傳感器
額定載荷:0.25-5t
工作溫度范圍:-30-+70°C
靈敏度:2.0±0.002mv/v
安全過載:150,120(40-50t)%F.S
綜合誤差:C2
輸入阻抗 (Ω) 400±10
輸出阻抗 (Ω) 352±3
絕緣阻抗 (MΩ) ≥ 5000(100VDC)
零點輸出 (%FS) 1.5 1.0
溫度補償范圍 (℃) -10~+40
允許使用溫度范圍 (℃) -35~+65
推薦激勵電壓 (V) 5~12(DC)
產品規格

連接線方式:+EXC為正電壓、+SEN 為正反饋—EXC 為負電壓、-SEN為負反饋 +SIG為正信號、—SIG為負信號、SHLD為屏蔽線。
注:請根據您使用的場所選購相應的地磅接線盒,如有不明白的問題可隨時來電或在線咨詢!
使用方法:
安裝連接方式:懸臂梁安裝方式 帶線這段固定 其它的懸空 另一邊上面稱量。該產品用于新平臺秤、地上衡、以及舊秤的維修,如還有不明白可與掌柜聯系。
注:本傳感器用途比較廣泛,可根據實際需要制作小地磅、小工藝秤、小反應釜模塊、料罐等。本公司可以根據客戶實際需要配置儀表、接線盒、數據線,提供免費技術指導。
1、遙力對其所售產品實行終身、全方位服務
2、確保產品不間斷運行。
3、持續保持高的測量精確度和延長產品壽命。
4、最大限度地減少用戶的維修和保養成本及管理成本。
買家須知
付款方式
本企業支持支付寶擔保交易,銀行轉賬及匯款交易,所有產品均可開17%增值稅發票。
承蒙您惠購遙力電子設備有限公司系列產品,我在此向您致以真摯的謝意!為保護您的合法權益 ,免除您后顧之憂,向您做出下述保修服務承諾,并向您提供以下的服務:
接線方式:
拍前聯系客顧,請購買前主動與我們取得聯系,可以直接聯系在線客服,確認您需購買的商品和型號, 電話:0519-88055537,或手機13270386751(李經理),因公司實體業務繁忙等原因而回復稍慢,請各位買家諒解。
售后服務
1、公司嚴格按國家標準、合同及技術規范要求選擇最佳方案,并全面對過程質量進行跟蹤,監控人、檢驗、確保產品質量;
2、建立用戶服務技術檔案,以備售后跟蹤服務;
3、本公司產品,自購買之日起1年內,公司為您提供免費上門服務,保修期后,仍將提供終生維修,全 國聯保。
4、凡公司售出的產品均向用戶提供產品使用說明書、產品合格證書、裝箱單及相關技術資料。
手機版|
















