稱重傳感器,稱重儀表,稱重模塊,地磅接線盒,叉車秤,稱重模塊等機電產品, 公司電話:0519-88055537,聯系人:李先生/13270386751;QQ:1779208340
凡在本公司購買的產品,因不合適,不配套,不好用,都可以退全款,立刻馬上退。
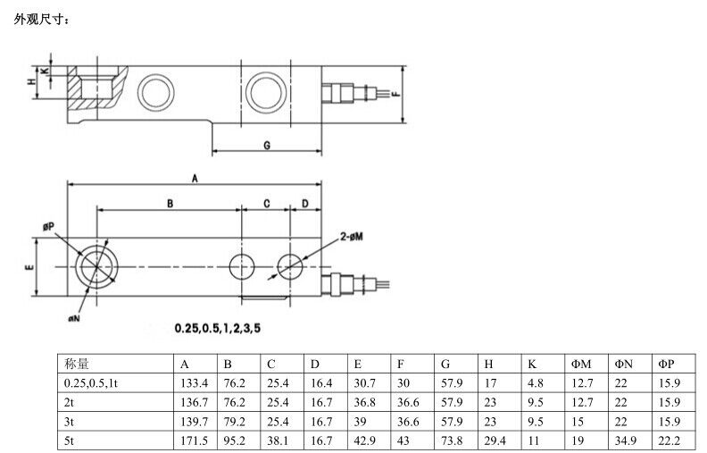
產品描述:
品牌: 托利多
寶貝詳情:
托利多HLJ系列傳感器,是梅特勒-托利多專門為三一重工及中聯中科專門訂制的用于攪拌站計量設備上的一種稱重設備,主要用于料倉與儀表之間的連接從而組成稱重系統。
托利多HLJ傳感器
額定載荷:0.25-5t
工作溫度范圍:-30-+70°C
推薦激勵電壓 (V) 5~12(DC) 
連接線方式:
+EXC為正電壓、+SEN 為正反饋—EXC 為負電壓、-SEN為負反饋 +SIG為正信號、 —SIG為負信號、SHLD為屏蔽線。
注:請根據您使用的場所選購相應的地磅接線盒,如有不明白的問題可隨時來電或在線咨詢!
使用方法:
安裝連接方式:懸臂梁安裝方式 帶線這段固定 其它的懸空 另一邊上面稱量。該產品用于新平臺秤、地上衡、以及舊秤的維修,如還有不明白可與掌柜聯系。
注:本傳感器用途比較廣泛,可根據實際需要制作小地磅、小工藝秤、小反應釜模塊、料罐等。本公司可以根據客戶實際需要配置儀表、接線盒、數據線,提供免費技術指導。
1、遙力對其所售產品實行終身、全方位服務
2、確保產品不間斷運行。
3、持續保持高的測量精確度和延長產品壽命。
4、最大限度地減少用戶的維修和保養成本及管理成本。
手機版|
















